### Descrição do Produto: Motor Redutor Elétrico de Alta Potência DC 12V
#### Introdução
O motor redutor elétrico DC 12V é um componente essencial para diversas aplicações que exigem alta eficiência e controle de velocidade. Projetado para oferecer um desempenho superior, este motor é ideal para projetos que demandam uma redução significativa de velocidade, mantendo a potência necessária para operar dispositivos mecânicos com precisão.
#### Função
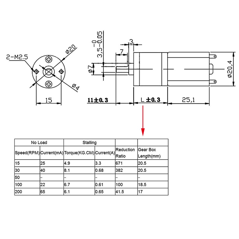
Os motores redutores são projetados para reduzir a velocidade em uma série de engrenagens, o que, por sua vez, gera um torque maior. Essa característica é fundamental em aplicações que requerem força e controle, como robótica, automação industrial e sistemas de transporte. Com uma faixa de rotação de 15 a 200 RPM, este motor é versátil e se adapta a diferentes necessidades.
#### 5 Velocidades para Escolher
Este motor redutor oferece cinco opções de velocidade, permitindo que você escolha a configuração ideal para o seu projeto. Com a possibilidade de selecionar entre 15, 50, 100, 150 e 200 RPM, você pode personalizar o desempenho do motor de acordo com as exigências específicas da sua aplicação.
#### Menos Ruído
Equipado com engrenagens totalmente metálicas, este motor garante uma vida útil mais longa e um funcionamento silencioso. A construção robusta minimiza o ruído durante a operação, tornando-o ideal para ambientes onde o silêncio é uma prioridade, como em dispositivos domésticos e equipamentos de laboratório.
#### Amplas Aplicações
Os motores redutores são amplamente utilizados em diversas aplicações, desde brinquedos eletrônicos até sistemas de automação industrial. Você provavelmente encontrará este motor em muitos dispositivos em sua casa, como portas automáticas, robôs de limpeza e sistemas de controle de movimento.
### Instruções de Uso:
Para utilizar o motor redutor elétrico DC 12V, conecte os terminais de alimentação a uma fonte de energia DC compatível. Certifique-se de que a polaridade esteja correta para evitar danos ao motor. Ajuste a velocidade desejada utilizando um controlador de velocidade, se necessário. É recomendável realizar testes iniciais em baixa velocidade para garantir que o motor esteja funcionando corretamente antes de aumentar a carga.
### Características do Produto
– Tensão de Operação: DC 12V
– Diâmetro Externo: 20mm (0.78″)
– Faixa de Velocidade: 15~200 RPM
– Material das Engrenagens: Totalmente metálicas
– Nível de Ruído: Baixo
– Aplicações: Robótica, automação, brinquedos, sistemas de transporte
### Perguntas Frequentes (FAQ)
Pergunta: Qual é a tensão de operação deste motor?
Resposta: O motor redutor elétrico opera com uma tensão de 12V DC.
Pergunta: Quais são as opções de velocidade disponíveis?
Resposta: Este motor oferece cinco opções de velocidade: 15, 50, 100, 150 e 200 RPM.
Pergunta: O motor é silencioso durante a operação?
Resposta: Sim, o motor possui engrenagens metálicas que garantem um funcionamento silencioso.
Pergunta: Em quais aplicações posso usar este motor?
Resposta: O motor pode ser utilizado em robótica, automação industrial, brinquedos eletrônicos e sistemas de controle de movimento.
Pergunta: Como posso controlar a velocidade do motor?
Resposta: A velocidade do motor pode ser controlada utilizando um controlador de velocidade apropriado, que deve ser conectado à fonte de alimentação.
Frete Grátis em todos os produtos










16 avaliações para Motor Redutor Elétrico DC 12V 15~200RPM Diâmetro Externo 20mm (100RPM)
Não há avaliações ainda.